Model No. GV-7-RU
              
            INCH OD Tubes
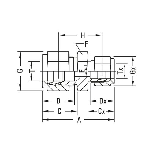
| Model No. | T Tube OD | Tx Tube OD | A | C | Cx | D | Dx | E min. | F A/F | G A/F | Gx A/F | H | 
| GV-7-RU-4-2 | 1/4 | 1/8 | 38.6 | 17.8 | 15.3 | 15.3 | 12.7 | 2.4 | 12.7 | 14 | 11 | 24.6 | 
| GV-7-RU-5-2 | 5/1 | 1/8 | 39.6 | 18.6 | 15.3 | 16.3 | 12.7 | 2.4 | 14 | 16 | 11 | 25.7 | 
| GV-7-RU-5-4 | 5/16 | 1/4 | 42.2 | 18.6 | 17.8 | 16.3 | 15.3 | 4.8 | 14 | 16 | 14 | 27.5 | 
| GV-7-RU-6-2 | 3/8 | 1/8 | 40.9 | 19.3 | 15.3 | 16.8 | 12.7 | 2.4 | 16 | 17 | 11 | 26.9 | 
| GV-7-RU-6-4 | 3/8 | 1/4 | 43.2 | 19.3 | 17.8 | 16.8 | 15.3 | 4.8 | 16 | 17 | 14 | 28.5 | 
| GV-7-RU-8-2 | 1/2 | 1/8 | 45.2 | 21.8 | 15.3 | 22.9 | 12.7 | 2.4 | 20.5 | 22 | 11 | 28.5 | 
| GV-7-RU-8-4 | 1/2 | 1/4 | 47 | 1.8 | 17.8 | 22.9 | 15.3 | 4.8 | 20.5 | 22 | 14 | 29.5 | 
| GV-7-RU-8-6 | 1/2 | 3/8 | 48.5 | 21.8 | 19.3 | 22.9 | 16.8 | 7.1 | 20.5 | 22 | 17 | 31 | 
| GV-7-RU-10-6 | 5/8 | 3/8 | 49.3 | 21.8 | 19.3 | 24.4 | 16.8 | 7.1 | 24 | 25 | 17 | 31.8 | 
| GV-7-RU-10-8 | 5/8 | 1/2 | 52 | 21.8 | 21.8 | 24.4 | 22.9 | 10.4 | 24 | 25 | 22 | 31.8 | 
| GV-7-RU-12-4 | 3/4 | 1/4 | 49.3 | 21.8 | 17.8 | 24.4 | 15.3 | 4.8 | 28 | 28.5 | 14 | 31.8 | 
| GV-7-RU-12-6 | 3/4 | 3/8 | 50.8 | 21.8 | 19.3 | 24.4 | 16.8 | 7.1 | 28 | 28.5 | 17 | 33.3 | 
| GV-7-RU-12-8 | 3/4 | 1/2 | 53.6 | 21.8 | 21.8 | 24.4 | 22.9 | 10.4 | 28 | 28.5 | 22 | 33.3 | 
| GV-7-RU-16-8 | 1 | 1/2 | 60.5 | 26.5 | 21.8 | 31.2 | 22.9 | 10.4 | 36 | 38 | 22 | 38.1 | 
| GV-7-RU-16-12 | 1 | 3/4 | 60.5 | 26.5 | 21.8 | 31.2 | 24.4 | 15.8 | 36 | 38 | 28.5 | 38.1 | 
| GV-7-RU-20-16 | 1.1/4 | 1 | 92.2 | 38.9 | 26.4 | 41.23 | 1.2 | 22.3 | 45 | 50 | 38 | 48 | 
| GV-7-RU-24-20 | 1.1/2 | 1.1/4 | 60.5 | 26.5 | 21.8 | 31.2 | 24.4 | 15.8 | 55 | 57 | 50 | 53.6 | 
METRIC OD Tubes
| Model No. | T Tube OD | Tx Tube OD | A | C | Cx | D | Dx | E min. | F A/F | G A/F | Gx A/F | H | 
| GV-7-RU-6m-3m | 6 | 3 | 38.6 | 17.7 | 15.3 | 15.3 | 12.9 | 2.4 | 12.5 | 14 | 11 | 24.6 | 
| GV-7-RU-8m-6m | 8 | 6 | 42.3 | 18.6 | 17.7 | 16.2 | 15.3 | 4.8 | 14 | 16 | 14 | 27.4 | 
| GV-7-RU-10m-6m | 10 | 6 | 44.5 | 19.5 | 17.7 | 17.2 | 15.3 | 4.8 | 17 | 19 | 14 | 29.5 | 
| GV-7-RU-10m-8m | 10 | 8 | 45.1 | 19.5 | 18.6 | 17.2 | 16.2 | 6.3 | 17 | 19 | 16 | 30 | 
| GV-7-RU-12m-6m | 12 | 6 | 47 | 22 | 17.7 | 22.8 | 15.3 | 4.8 | 20.5 | 22 | 14 | 29.5 | 
| GV-7-RU-12m-8m | 12 | 8 | 47.8 | 22 | 18.6 | 22.8 | 16.2 | 6.4 | 20.5 | 22 | 16 | 30.2 | 
| GV-7-RU-12m-10m | 12 | 10 | 48.7 | 22 | 19.5 | 22.8 | 17.2 | 7.9 | 20.5 | 22 | 19 | 31 | 
| GV-7-RU-16m-10m | 16 | 10 | 49.5 | 22 | 19.5 | 24.4 | 17.2 | 7.9 | 25 | 25 | 19 | 31.8 | 
| GV-7-RU-16m-12m | 16 | 12 | 52 | 22 | 22 | 24.4 | 22.8 | 9.5 | 25 | 25 | 22 | 31.8 | 
| GV-7-RU-22m-18m | 22 | 18 | 55 | 22 | 22 | 26 | 24.4 | 15.1 | 32 | 32 | 30 | 34.8 | 
| GV-7-RU-22m-20m | 22 | 20 | 55 | 22 | 22 | 26 | 26.6 | 15.9 | 32 | 32 | 32 | 34.8 | 
| GV-7-RU-25m-12m | 25 | 12 | 65 | 26.5 | 22 | 31.3 | 22.8 | 9.5 | 36 | 38 | 22 | 40.4 | 
| GV-7-RU-25m-20m | 25 | 20 | 65 | 26.5 | 22 | 31.3 | 26 | 15.9 | 36 | 38 | 32 | 40.4 | 
| GV-7-RU-30m-20m | 30 | 20 | 75.4 | 39.2 | 22 | 39.6 | 26 | 15.9 | 45 | 50 | 32 | 43.7 | 
| GV-7-RU-30m-25m | 30 | 25 | 80.1 | 39.2 | 26.5 | 39.6 | 31.3 | 21.8 | 45 | 50 | 38 | 46.2 | 
| GV-7-RU-32m-20m | 32 | 20 | 77.8 | 41.6 | 22 | 42 | 26 | 15.9 | 45 | 50 | 32 | 44.7 | 
| GV-7-RU-32m-25m | 32 | 25 | 82.3 | 41.6 | 26.5 | 42 | 31.3 | 21.8 | 45 | 50 | 38 | 47 | 
| GV-7-RU-38m-20m | 38 | 20 | 92 | 47.9 | 26.5 | 49.4 | 31.3 | 21.8 | 55 | 57 | 38 | 52.1 | 
| GV-7-RU-38m-25m | 38 | 25 | 104.6 | 47.9 | 39.2 | 49.4 | 39.6 | 26.2 | 55 | 57 | 50 | 55.4 | 
Note: All dimensions are subject to change without notice 
              All dimensions are in mm unless specified