Model No. GV-53-PNV
FEATURES
Maximum working pressure:
3000 psi (207bar) at 100°F (38°C)
6000 psi (414bar) at 100°F (38°C)
Working temperature:
-65°F (-54°C) to 464°F (240°C)
-65°F (-54°C) to 842°F (450°C)
PTFE packings can be adjusted to extend the valve life.
Stem threads are rolled and lubricated to prevent galling and
reduce operating torque.
Optional sour gas service conforms to NACE Mr0175.
Hydro test performed with pure water at 1.5 times of working pressure.
100% factory test
Bonnet Lock pin Prevents accidental Removal while in service.
Material : A479 304, A479 316, A182 GRF 316, Monel, Hastelloy, Inconel
| Part No. | Part Description | Material | Qty. |
| 1 | Body | SS 316 | 1 |
| 2 | Gland Body | SS 316 | 1 |
| 3 | Gland Retainer | SS 304 | 1 |
| 4 | Check Nut | SS 304 | 1 |
| 5 | Spindle | SS 316 | 1 |
| 6 | Gland Packing | P.T.F.E | 1 |
| 7 | Gland Ring | SS 304 | 1 |
| 8 | Gland Washer | SS 304 | 1 |
| 9 | Trim | SS 316 | 1 |
| 10 | Dust Cap | Rubber | 1 |
| 11 | Handle | SS 304 | 1 |
| 12 | Grub Screw | SS | 1 |
| 13 | Lock Pin | SS 304 | 1 |
Note: 1. Packing is optional with graphite for high temperature to 450℃
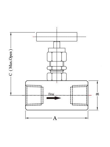
| Model No. | Inlet x Outlet | A | B | C |
| GV-53-PNV-4 | 1/4" NPT | 50 | 22 | 89 |
| GV-53-PNV-6 | 3/8" NPT | 50 | 25 | 90 |
| GV-53-PNV-8 | 1/2"NPT | 65 | 28 | 92 |
| GV-53-PNV-12 | 3/4" NPT | 65 | 36 | 95 |
| GV-53-PNV-16 | 1" NPT | 80 | 45 | 100 |
Note: All dimensions are subject to change without notice
All dimensions are in mm unless specified
| Model No. | Inlet x Outlet | A | B | C |
| GV-53-PNV-4 | 1/4" NPT | 46 | 19 | 60 |
| GV-53-PNV-6 | 3/8" NPT | 46 | 22 | 63 |
| GV-53-PNV-8 | 1/2"NPT | 55 | 25 | 65 |
| GV-53-PNV-12 | 3/4" NPT | 65 | 32 | 76 |
| GV-53-PNV-16 | 1" NPT | 74 | 40 | 114 |