Model No. GV-22-MRT
            
          INCH OD Tubes X Male NPT Threads
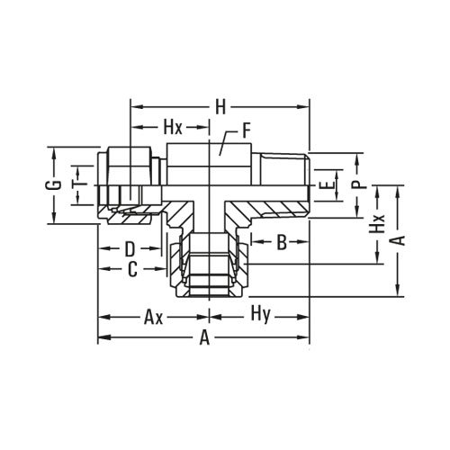
| Model No. | T Tube OD | P NPT Male | A | Ax | B | C | D | E min. | F A/F | G A/F | H | Hx | Hy | 
| GV-22-MRT-2-2N | 1/8 | 1/8 | 41.4 | 23.6 | 9.6 | 15.3 | 12.7 | 2.4 | 11 | 11 | 34.8 | 17 | 17.8 | 
| GV-22-MRT-2-4N | 1/8 | 1/4 | 48 | 24.6 | 14.3 | 15.3 | 12.7 | 2.4 | 14 | 11 | 41.4 | 18 | 23.4 | 
| GV-22-MRT-4-2N | 1/4 | 1/8 | 45.7 | 26.9 | 9.6 | 17.8 | 15.3 | 4.8 | 14 | 14 | 38.4 | 19.6 | 18.8 | 
| GV-22-MRT-4-4N | 1/4 | 1/4 | 50.3 | 26.9 | 14.3 | 17.8 | 15.3 | 4.8 | 14 | 14 | 43 | 19.6 | 23.4 | 
| GV-22-MRT-4-6N | 1/4 | 3/8 | 55.9 | 29.7 | 14.3 | 17.8 | 15.3 | 4.8 | 19 | 14 | 48.8 | 22.4 | 26.2 | 
| GV-22-MRT-4-8N | 1/4 | 1/2 | 64.8 | 31.8 | 19.1 | 17.8 | 15.3 | 4.8 | 22 | 14 | 57.4 | 24.4 | 33 | 
| GV-22-MRT-6-4N | 3/8 | 1/4 | 55.9 | 30.5 | 14.3 | 19.3 | 16.8 | 7.1 | 17 | 17 | 48.5 | 23.1 | 25.4 | 
| GV-22-MRT-6-6N | 3/8 | 3/8 | 57.4 | 31.2 | 14.3 | 19.3 | 16.8 | 7.1 | 19 | 17 | 50.1 | 23.9 | 26.2 | 
| GV-22-MRT-6-8N | 3/8 | 1/2 | 66 | 33 | 19.1 | 19.3 | 16.8 | 7.1 | 22 | 17 | 58.9 | 25.9 | 33 | 
| GV-22-MRT-8-4N | 1/2 | 1/4 | 64.2 | 36 | 14.3 | 21.8 | 22.9 | 4.8 | 20.5 | 22 | 54.1 | 25.9 | 28.2 | 
| GV-22-MRT-8-6N | 1/2 | 3/8 | 64.2 | 36 | 14.3 | 21.8 | 22.9 | 9.6 | 20.5 | 22 | 54.1 | 25.9 | 28.2 | 
| GV-22-MRT-8-8N | 1/2 | 1/2 | 69 | 36 | 19.1 | 21.8 | 22.9 | 10.4 | 22 | 22 | 58.9 | 25.9 | 33 | 
| GV-22-MRT-10-8N | 5/8 | 1/2 | 73.1 | 38.1 | 19.1 | 21.8 | 24.4 | 11.9 | 22 | 25 | 62.9 | 27.9 | 35 | 
| GV-22-MRT-12-8N | 3/4 | 1/2 | 76.7 | 39.9 | 19.1 | 21.8 | 24.4 | 11.9 | 27 | 28 | 66.5 | 29.7 | 36.8 | 
| GV-22-MRT-12-12N | 3/4 | 3/4 | 76.7 | 39.9 | 19.1 | 21.8 | 24.4 | 15.8 | 27 | 29 | 66.5 | 29.7 | 36.8 | 
| GV-22-MRT-16-12N | 1 | 3/4 | 90.6 | 49 | 19.1 | 26.4 | 31.2 | 15.8 | 36 | 38 | 78.4 | 36.8 | 41.6 | 
| GV-22-MRT-16-16N | 1 | 1 | 95.5 | 49 | 23.8 | 26.4 | 31.2 | 22.3 | 35 | 38 | 83.3 | 36.8 | 46.5 | 
| GV-22-MRT-20-20N | 1.1/4 | 1.1/4 | 114.1 | 66.5 | 23.8 | 38.8 | 41.1 | 27.6 | 46 | 50 | 92.1 | 44.5 | 47.6 | 
| GV-22-MRT-24-24N | 1.1/2 | 1.1/2 | 138.4 | 78 | 26.2 | 45.2 | 50 | 34 | 55 | 57 | 111.2 | 50.8 | 60.4 | 
METRIC OD Tubes X Male NPT Threads
| Model No. | T Tube OD | P NPT Male | A | Ax | B | C | D | E min. | F A/F | G A/F | H | Hx | Hy | 
| GV-22-MRT-3m-2N | 3 | 1/8 | 41.4 | 23.6 | 9.6 | 15.3 | 12.9 | 2.4 | 11 | 11 | 34.8 | 17 | 17.8 | 
| GV-22-MRT-3m-4N | 3 | 1/4 | 48 | 24.6 | 14.3 | 15.3 | 12.9 | 2.4 | 14 | 11 | 41.4 | 18 | 23.4 | 
| GV-22-MRT-6m-2N | 6 | 1/8 | 45.8 | 27 | 9.6 | 17.7 | 15.3 | 4.8 | 14 | 14 | 38.9 | 19.6 | 18.8 | 
| GV-22-MRT-6m-4N | 6 | 1/4 | 50.4 | 27 | 14.3 | 17.7 | 15.3 | 4.8 | 14 | 14 | 43 | 19.6 | 23.4 | 
| GV-22-MRT-6m-6N | 6 | 3/8 | 56 | 29.8 | 14.3 | 17.7 | 15.3 | 4.8 | 19 | 14 | 48.6 | 22.4 | 26.2 | 
| GV-22-MRT-8m-4N | 8 | 1/4 | 53.2 | 28.8 | 14.3 | 18.6 | 16.2 | 6.3 | 14 | 16 | 45.7 | 21.3 | 24.4 | 
| GV-22-MRT-8m-6N | 8 | 3/8 | 56.8 | 30.6 | 14.3 | 18.6 | 16.2 | 6.3 | 19 | 16 | 49.3 | 23.1 | 26.2 | 
| GV-22-MRT-8m-8N | 8 | 1/2 | 65.6 | 32.6 | 19.1 | 18.6 | 16.2 | 6.3 | 22 | 16 | 58.1 | 25.1 | 33 | 
| GV-22-MRT-10m-4N | 10 | 1/4 | 57.7 | 31.5 | 14.3 | 19.5 | 17.2 | 7.1 | 17 | 19 | 50.1 | 23.9 | 26.2 | 
| GV-22-MRT-10m-6N | 10 | 3/8 | 57.7 | 31.5 | 14.3 | 19.5 | 17.2 | 7.9 | 19 | 19 | 50.1 | 23.9 | 26.2 | 
| GV-22-MRT-10m-8N | 10 | 1/2 | 66.5 | 33.5 | 19.1 | 19.5 | 17.2 | 7.9 | 22 | 19 | 58.9 | 25.9 | 33 | 
| GV-22-MRT-12m-4N | 12 | 1/4 | 62.2 | 36 | 14.3 | 22 | 22.8 | 7.1 | 20.5 | 22 | 52.1 | 25.9 | 26.2 | 
| GV-22-MRT-12m-6N | 12 | 3/8 | 62.2 | 36 | 14.3 | 22 | 22.8 | 9.5 | 20.5 | 22 | 52.1 | 25.9 | 28.2 | 
| GV-22-MRT-12m-8N | 12 | 1/2 | 69 | 36 | 19.1 | 22 | 22.8 | 9.5 | 22 | 22 | 58.9 | 25.9 | 33 | 
| GV-22-MRT-16m-8N | 16 | 1/2 | 73.1 | 38 | 19.1 | 22 | 24 | 11.9 | 24 | 25 | 64 | 27.9 | 35.1 | 
| GV-22-MRT-25m-12N | 25 | 3/4 | 90.8 | 49.1 | 19.1 | 26.5 | 31.3 | 15.8 | 36 | 38 | 78.5 | 36.8 | 41.7 | 
| GV-22-MRT-25m-16N | 25 | 1 | 95.6 | 49.1 | 23.8 | 26.5 | 31.3 | 21.8 | 36 | 38 | 83.3 | 36.8 | 46.5 | 
| GV-22-MRT-30m-20N | 30 | 1.1/4 | 120 | 66.9 | 23.8 | 39.2 | 39.6 | 26.2 | 45 | 50 | 101.4 | 48.3 | 53.1 | 
| GV-22-MRT-32m-20N | 32 | 1.1/4 | 125.4 | 72.3 | 23.8 | 41.6 | 42 | 27.6 | 45 | 50 | 102.4 | 49.3 | 53.1 | 
| GV-22-MRT-38m-24N | 38 | 1.1/2 | 144.4 | 84 | 26.2 | 47.9 | 50 | 33.7 | 55 | 57 | 116.8 | 56.4 | 60.4 | 
Note: All dimensions are subject to change without notice 
            All dimensions are in mm unless specified 
GLOBAL Valves tube fittings deliver a leak-tight, gas-tight seal in an easy-to-install, disassemble, and reassemble form. The robust tube grip with patented, two-ferrule technology is resistant to vibration fatigue and withstands high pressures and temperature extremes
Tube Fittings has been designed for use in instrumentations, process & control system, analyses and environment employed in chemical, petroleum, power generating, pulp & paper plants. GLOBAL Valves tube fitting has also found special application in other fields where high-pressure tube fitting has also found special application in other fields where high-pressure tube fittings are required. If more specific information, including heat code traceability, is required GLOBAL Valves will provide details. Stainless steel Tubefit Engineers tube fitting work reliably on both seamless & welded - redrawn, fully, annealed type tubing.